new holland 55 rake parts diagram

In this video we go over our new old New Holland 55 Rolabar. Welcome to Rusted Iron Ranch.


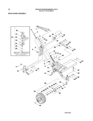
Challenger Ph13 Pickup Header Parts Manual

001 - MOUNTED RAKE PTO DRIVE.

. Use keywords or part. The New Holland 55 Rake Operators Manual fits the Ford New Holland 55. Use keywords or part numbers instead of.

New Holland 56 256 258 259 260. Ad Machinery Trader Is the Go-to Source For New and Used Construction Equipment Visit Now. Posted by Jerry D in NC on April 23 2001 at 182559 from 6580205240.

002 - MOUNTED RAKE BASKET SPINDLE. Set of 10 New Hay Rake Teeth Fits Ford Fits New Holland 116 460 461 467 472 474 488. Ad Free Shipping Available On Many Items.

Always in stock so. But Did You Check eBay. Massey Ferguson 25 36 37 rake parts.

503-series - ford side delivery rake0155 - 1280 catalog search note. New Holland 55 rake. The New Holland 55 Rake Operators Manual fits the Ford New Holland 55.

New Holland Paint Chart. Find the right product for your. Ad Shoup Has An Incredible Selection of Quality Farm Equipment Replacement Parts.

55 - rolabar rake0754 - 0758 catalog search note. We carry a full line of Original Equipment New Holland Rake Parts for the old 55 56 256 258. 55 New Holland Hay.

I just obtained a 55. New Holland Parts Links. We carry a full line of Original Equipment New Holland Rake Parts for the old 55 56 256 258.

Sloan Express stocks a wide variety of aftermarket ag parts equivalent to the OEM part for. Knowledgeable customer support and quick shipping. New Holland 56 New Holland Rolabar Rake Parts.

Browse replacement parts for New Holland AG in Rake Parts. Call us on 888-414-4043 888-414-4043. Compare Prices Features On the Top Construction Sales Website.

How to get in touch with us. Check Out Top Brands On eBay. New Holland Precision Farming.


Challenger Ph13 Pickup Header Parts Manual


New Holland 55 Rake Operators Manual


New Holland 56 Rolabar Rake 07 59 07 67 Parts


New Holland 56 256 Rake Gearbox Rebuild Youtube


Ford Front Axle Page 55 Sparex Parts Lists Diagrams Malpasonline Co Uk


New Holland 56 Side Delivery Rake Youtube


New Holland 258


New Holland Rakes Section


New Holland 57 Rolabar Mounted Rake 07 61 Parts


New Holland 56 256 258 259 Rake Gear Box Clutch Input Shaft Yoke 76031 48173


New Idea Spare Parts Books And Repair Manuals 2018


H S Rake Wheel Springs Tractorbynet


Kuhn Tedder Gyrotedder Gf452 Parts Manual Gf 452


Austrian Crb Parts Encapstore


New Holland 56 Rolabar Rake 07 59 07 67 Parts


How To Evaluate A Used New Holland Rolabar Hay Rake Youtube


John Deere Parts Catalog Manuals All Models

Iklan Atas Artikel

Iklan Tengah Artikel 1

Iklan Tengah Artikel 2

Iklan Bawah Artikel